![]()
ホーム > FA機器・電材(電設資材)・制御機器・端子 > 2 エースサービス・コネクター > エースサービス GM-12B 樹脂製コネクター Mネジ用
| 価格 | |
|---|---|
| 製造元 | エースサービス株式会社 |
| 仕様 | 最少数8個からの販売となります。 RoHS対応 樹脂製コネクター 材質:PA (難燃グレ-ドUL94V-2) ※ロックナット付属 |
| 備考 |
※ この商品は通常配送料金に加え、550円が加算されます。 例) 東京ですと、880円+550円=1,430円 となります。 |
商品番号:134514

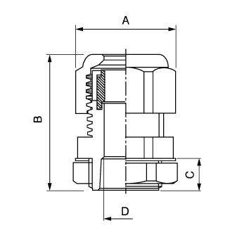
| 品番 | ネジ規格・寸法 | ケーブル外径 (mm) | A (mm) | B (mm) | C (mm) | D (mm) | 重量 (g) | |||
|---|---|---|---|---|---|---|---|---|---|---|
| サイズ | 外径 | 取付穴径 | Min | Max | ||||||
| GM-12B | M12×1.5 | 12 | 12 | 3 | 6.5 | 19 | 28 | 8 | 7 | 4 |

インバータ用リアクトル
●仕様:200Vクラス
●適用モーター容量:22K
●振動:5.9m/s^2以下、10~55Hz(X、Y、Z各方向)
●電源使用:3相AC200~240V 50Hz/60Hz
汎用インバータ
●適用モータ容量(kW):15
●入力電圧 クラス:三相200V
●出力仕様:三相
●出力容量(kVA):23.9
●定格出力電圧(V):AC200~240
●外部通信:RS-232/422/485
色:反射ホワイト/レッド
先端部:φ40mm穴
ウエイト:一体型
サイズ:W360×H700mm
重量:約3100g
材質:PVC/ゴム
※切り欠き加工済み
特定小電力トランシーバー
●お得な2台セット
●カラー:ブラック/ワインレッド
●外形寸法: 幅50×高さ90×奥行19mm(突起物含まず)
●質量:約100g(専用電池含む)
●イヤホンマイク付き
※点灯には、本体のほか、ソケットと専用電源ユニットが必要です
屋内専用
配光:30°
シャフト長:250mm
光源色:3500K
灯体色:シルバー
ロングフードはグレアを軽減します
定格電圧:DC5V
消費電力:1.2W/灯
商用・非常用電源の切替およびモーター付加の切替に使用する切替開閉器です。
電源切替スイッチ
用途 回路の切替
定格電圧 250v
端子構造 電線直締形
3Pを2Pでも使用できます。
ベース:E17
吊下げコード:ねじり仕様 茶
切断長50cm(コード長44cm程度)
引掛シーリング:らくだ色
照明器具の荷重は 5kgまで
レシップ M5 の後継品
巻線ネオントランス 9KV(6KV) の代替に使用できます。
αネオンシリーズ
M5 100V用(屋内・屋外共用)
100-C-9HEP2
巻き線式トランスは2026年4月より規格が変わり、価格が値上げされます。
L型ハンガー付
平型をご希望の方は、備考欄に「平型ハンガーに変更」と明記願います。
2026年4月より規格が変わり、価格が値上げされます。
L型ハンガー付
平型をご希望の方は、備考欄に「平型ハンガーに変更」と明記願います。
三陽電機製作所はレシップに社名変更しています。
※サイクルに注意
品番:MB-E263N-G
縁日・ビアガーデン・学園祭等のちょうちん等に使用する防雨型ソケット
雨に強い!高品質で環境にやさしい新しい屋外用ソケット
素材:EGフェノール樹脂
ゴムパッキン付
リード線1V0.9m㎡線使用

