商品詳細
メーカーより直送致します。配送には3~5営業日かかります。
ご注文後の返品・交換不可。
お支払いは、銀行振込(前払い)またはクレジット決済にてお願いいたします。(代金引換はできません)
沖縄・離島へのお届けは別途運賃となります。
商品が欠品中の場合もございますので、お急ぎの方は一度お問合せ下さい。
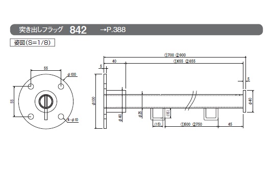
●屋外対応のステンレス製フラッグポール。
●シーンを選ばないシンプルデザイン。
=仕様=
ポール:ステンレス
付属部品:直付け用ビス
詳細PDF
<フラッグの絡み止めは、下記の中から必要部材を選び、組み合わせてお使いください。>
↓↓↓
M-900 1.0φワイヤー 10m
M-902 1.0φオーバルスリーブ
M-912 ナスカン
M-910 4穴アイプレート
=注意=
・取り付けは専門業者にご依頼下さい。
・付属ビスは壁面の状況に応じて変更して下さい。
・地上高2.5~5mで取り付けて下さい。
・旗下の最大長さは、全長(W900・W700)の1.7倍までにして下さい。
・強風が予想されるときは、フラッグをはずして下さい。
・商品にフラッグは含まれておりません。





































